The parallel rheological framework is intended for modeling polymers and elastomeric
materials that exhibit permanent set and nonlinear viscous behavior and undergo large
deformations.
The parallel rheological framework:
consists of multiple viscoelastic networks and, optionally, an elastic-plastic network in
parallel;
uses a hyperelastic material model to specify the elastic response;
can be combined with Mullins effect;
bases the elastic-plastic response on multiplicative split of the deformation gradient
and the theory of incompressible isotropic hardening plasticity;
can include nonlinear kinematic hardening with multiple backstresses in the
elastic-plastic response in Abaqus/Standard; and
uses multiplicative split of the deformation gradient and a flow rule derived from a
creep potential to specify the viscous behavior.
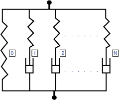
The parallel rheological framework allows definition of a nonlinear
viscoelastic-elastoplastic model consisting of multiple networks connected in parallel, as
shown in Figure 1.
Figure 1. Nonlinear viscoelastic-elastoplastic model with multiple parallel networks.
The number of viscoelastic networks, N, can be arbitrary; however, at
most one equilibrium network (network in Figure 1) is allowed in the model. The equilibrium network response might be purely elastic or
elastic-plastic. In addition, it might include Mullins effect to predict material softening.
The definition of the equilibrium network is optional. If it is not defined, the stress in
the material will relax completely over time.
The model can be used to predict complex behavior of materials subjected to finite strains,
which cannot be modeled accurately using other models available in Abaqus. An example of such complex behavior is depicted in Figure 2, which shows normalized stress relaxation curves for three different strain levels. This
behavior can be modeled accurately using the nonlinear viscoelastic model depicted in Figure 3, which can be defined within the framework; but it cannot be captured with the linear
viscoelastic model (see Time Domain Viscoelasticity). In the latter case, the
three curves would coincide.
Figure 2. Normalized stress relaxation curves for three different strain levels. Figure 3. Nonlinear viscoelastic model with multiple parallel networks.
Elastic Behavior
The elastic part of the response for all the networks is specified using the hyperelastic
material model. Any of the hyperelastic models available in Abaqus can be used (see Hyperelastic Behavior of Rubberlike Materials). The same hyperelastic
material definition is used for all the networks, scaled by a stiffness ratio specific to
each network. Consequently, only one hyperelastic material definition is required by the
model along with the stiffness ratio for each network. The elastic response can be
specified by defining either the instantaneous response or the long-term response.
Equilibrium Network Behavior
In addition to the elastic response described above, the response of the equilibrium
network can include plasticity and Mullins effect to predict material softening. If the
plastic response is defined using isotropic hardening, the response in the equilibrium
network is equivalent to that of the permanent set model available in Abaqus (see Permanent Set in Rubberlike Materials for a detailed description of the
model). In Abaqus/Standard the nonlinear kinematic hardening model with multiple backstresses can be specified in
addition to isotropic plastic hardening. The nonlinear kinematic hardening model is a
generalization of the model used for metal plasticity. See Models for Metals Subjected to Cyclic Loading for a detailed description of the model, with the
difference that the Cauchy stress is replaced with the Kirchhoff stress in the current
formulation.
Viscous Behavior
Viscous behavior must be defined for each viscoelastic network. It is modeled by assuming
the multiplicative split of the deformation gradient and the existence of the creep
potential, , from which the flow rule is derived. In the multiplicative split the
deformation gradient is expressed as
where is the elastic part of the deformation gradient (representing the
hyperelastic behavior) and is the creep part of the deformation gradient (representing the
stress-free intermediate configuration). The creep potential is assumed to have the
general form
where is the Cauchy stress. If the potential is specified, the flow rule can
be obtained from
where is the symmetric part of the velocity gradient, , expressed in the current configuration and is the proportionality factor. In this model the creep potential is
given by
and the proportionality factor is taken as , where is the equivalent deviatoric Cauchy stress and is the equivalent creep stain rate. In this case the flow rule has the
form
or, equivalently
where is the Kirchhoff stress, is the determinant of , is the deviatoric Cauchy stress, is the deviatoric Kirchhoff stress, and . To complete the derivation, the evolution law for must be provided. In this model can be defined by the power law model, the strain hardening model, the
hyperbolic-sine law model, the Bergstrom-Boyce model, the Darveaux model, or a
user-defined creep model.
Power Law Model
The power law model is available in the form
where
is the equivalent creep strain rate,
is the equivalent creep strain,
is the equivalent deviatoric Kirchhoff stress,
is the Kirchhoff pressure, and
, m, n,
a, and
are material parameters. It is recommended that you use the power law model
rather than the strain hardening model.
Strain Hardening Model
The strain hardening model is available in the form
where
is the equivalent creep strain rate,
is the equivalent creep strain,
is the equivalent deviatoric Kirchhoff stress, and
A, m, and
n
are material parameters. It is recommended that you use the power law model
rather than the strain hardening model. The strain hardening model is a special
case of the power law model obtained by setting , , and .
Hyperbolic-Sine Law Model
The hyperbolic-sine law is available in the form
where
and
are defined above, and
A, B, and
n
are material parameters.
Bergstrom-Boyce Model
Abaqus provides two forms to define the Bergstrom-Boyce creep model. The recommended form of
the Bergstrom-Boyce model is defined as
where
and
and
are defined above, and
, m, C,
E, and
are material parameters.
The original Bergstrom-Boyce model has the form
where
, , and
are defined above, and
A, m,
C, and E
are material parameters.
The recommended form is equivalent to the original form of the Bergstrom-Boyce model.
The primary difference between the two formulations is that the recommended form is
written in such a way that parameter values do not cause numerical difficulties, which
can happen when the original model is calibrated for strain rate applications. In
addition, the units of all parameters in the recommended form are physical, which makes
unit conversion easier. When the value of the parameter is very small (), the recommended form is obtained by setting and setting to an arbitrary value greater than zero (typically, is set to one).
The response of the network defined by the Bergstrom-Boyce model is very similar to the
response of the time-dependent network in the hysteresis model (see Hysteresis in Elastomers). However, there are also important differences
between the models. In the Bergstrom-Boyce model the equivalent Kirchhoff stress is used
instead of the equivalent Cauchy stress, which is used in the hysteresis model. (The two
stress measures become equivalent for the case of incompressible materials.) In
addition, the material parameters, A, in the hysteresis model and
the original form of the Bergstrom-Boyce model differ by a factor of . The parameter in the hysteresis model must be multiplied by to make the parameters equivalent.
Darveaux Model
The original Darveaux model involves both primary and secondary (steady state) creep.
It is intended for applications where loading is applied at the beginning of the
analysis, while the modified Darveaux model is recommended for arbitrary loading
histories. The secondary creep in the Darveaux model is defined by a hyperbolic-sine law:
The secondary law is modified to account for the primary creep effects through
where
and
are defined above,
is the steady-state equivalent creep strain rate,
is the steady-state creep prefactor,
is the steady-state power law breakdown, and
, , and B
are other material parameters.
Modified Darveaux Model
The modified Darveaux model involves both primary and secondary (steady state) creep,
similar to the original Darveaux model. However, unlike the original Darveaux model,
which uses total time to describe primary creep effects, the modified Darveaux model
uses the accumulated creep strain. This approach provides a solution that does not
depend on the loading sequence when the step time has an idle or no-load period. Both
Darveaux models provide the same response under constant load and temperature applied at
the beginning of the analysis (time zero). However, for arbitrary loading histories, you
should use the modified Darveaux model.
The secondary creep is defined by a hyperbolic-sine law:
The secondary law is modified to account for the primary creep effects through
where
and
are defined above,
is the accumulated steady-state equivalent creep strain,
, , , , and
are defined in the Darveaux model.
User-Defined Model in Abaqus/Standard
A user-defined creep model is available of the following general form:
Only isotropic thermal expansion is permitted with nonlinear viscoelastic materials
(Thermal Expansion).
Defining Viscoelastic Response
The nonlinear viscoelastic response is defined by specifying the identifier, stiffness
ratio, and creep law for each viscoelastic network.
Specifying Network Identifier
Each viscoelastic network in the material model must be assigned a unique network
identifier or network id. The network identifiers must be consecutive integers starting
with 1. The order in which they are specified is not important.
Input File Usage
Use the following option to specify the network identifier:
The contribution of each network to the overall response of the material is determined by
the value of the stiffness ratio, , which is used to scale the elastic response of the network material.
The sum of the stiffness ratios of the viscoelastic networks must be smaller than or equal
to 1. If the sum of the ratios is equal to 1, the purely elastic equilibrium network is
not created. If the sum of the ratios is smaller than 1, the equilibrium network is
created with a stiffness ratio, , equal to
where denotes the number of viscoelastic networks and is the stiffness ratio of network . You can specify the stiffness ratio to remain constant during the
analysis or to vary as a function of temperature and predefined field variables.
Defining a Constant Stiffness Ratio
You can specify that the stiffness ratio remains constant during the analysis:
The definition of creep behavior in Abaqus/Standard is completed by specifying the creep law.
Power Law Creep Model
The power law model is defined by specifying five material parameters: , n, m,
a, and . The parameter must be positive. It is introduced for dimensional consistency, and
its default value is 1.0. For physically reasonable behavior and n must be positive,
a must be nonnegative (the default is 0.0), and . It is recommended that you use the power law model rather than the
strain hardening model.
The strain hardening law is defined by specifying three material parameters:
A, n, and
m. For physically reasonable behavior
A and n must be positive and . It is recommended that you use the power law model rather than the
strain hardening model.
The recommended form of the Bergstrom-Boyce creep law is specified by providing five
parameters: , m, C,
E, and . The parameters and E must be nonnegative, the parameters and m must be positive, and the parameter
C must lie in .
The original form of the Bergstrom-Boyce creep law is specified by providing four
parameters: A, m,
C, and E. The parameters
A and E must be nonnegative, the
parameter m must be positive, and the parameter
C must lie in .
Input File Usage
Use the following option to define the recommended form of the Bergstrom-Boyce
creep law:
An alternative method for defining the creep law involves using user subroutine UCREEPNETWORK in Abaqus/Standard or VUCREEPNETWORK in Abaqus/Explicit. Optionally, you can specify the number of property values needed as data in the user
subroutine.
Depending on the choice of units, the value of A in the creep
models might be very small for typical creep strain rates. If A is
less than 10−27, numerical difficulties can cause errors in the material
calculations; therefore, a different system of units should be used to avoid such
difficulties in the calculation of creep strain increments. In such cases it is
recommended that you use the creep models that do not have the limitation. You can use
the power law model rather than the strain hardening model and the recommended form of
the Bergstrom-Boyce model rather than the original form.
Thermorheologically Simple Temperature Effects
Thermorheologically simple temperature effects can be included for each viscoelastic
network. In this case the creep law is modified and takes the following form:
where and denote the reduced time and the shift function, respectively. The
reduced time is related to the actual time through the integral differential equation
Abaqus supports the following forms of the shift function: the Williams-Landel-Ferry
(WLF) form, the Arrhenius form, and the tabular form (see
Thermorheologically Simple Temperature Effects). In addition, user-defined
forms can be specified in Abaqus/Standard.
User-Defined Form in Abaqus/Standard
An alternative method for specifying the shift function involves using user subroutine
UTRSNETWORK. Optionally, you can
specify the number of property values needed as data in the user subroutine.
In Abaqus/Standard the material is active during all stress/displacement procedure types. However, the creep
effects are taken into account only in quasi-static (Quasi-Static Analysis), coupled
temperature-displacement (Fully Coupled Thermal-Stress Analysis),
direct-integration implicit dynamic (Implicit Dynamic Analysis Using Direct Integration), and steady-state
transport (Steady-State Transport Analysis) analyses. If the
material is used in a steady-state transport analysis, it cannot include plasticity. In
other stress/displacement procedures the evolution of the state variables is suppressed and
the creep strain remains unchanged. In Abaqus/Explicit the creep effects are always active.
Elements
The parallel rheological framework is available with continuum elements that include
mechanical behavior (elements that have displacement degrees of freedom), except for
one-dimensional elements. The parallel rheological framework is also supported with elements
that use the plane stress formulation such as solid plane stress elements, membranes, and
shells. However, those elements are not supported with compressible materials. If a
compressible material is specified with plane stress elements, Abaqus will modify the material to make it incompressible and issue an informational message.
The overall viscous dissipated energy per unit volume, defined as .
EE
The overall elastic strain, defined as .
SENER
The overall elastic strain energy density per unit volume, defined as .
SNETk
All stress components in the network ().
In the above definitions denotes the stiffness ratio for network , denotes the number of viscoelastic networks, the subscript or superscript is used to denote network quantities, and the network is assumed to be the purely elastic network.
If plasticity is specified in the equilibrium network, the standard output identifiers
available in Abaqus corresponding to other isotropic and kinematic hardening plasticity models can be
obtained for this model as well. In addition, if the Mullins effect is used in the model,
the output variables available for the Mullins effect model (see Mullins Effect) can be requested.
References
Bergstrom, J.S., and M. C. Boyce, “Constitutive
Modeling of the Large Strain Time-Dependent Behavior of
Elastomers,” Journal of the Mechanics and
Physics of
Solids, vol. 46, pp. 931–954, 1998.
Bergstrom, J.S., and M. C. Boyce, “Large
Strain Time-Dependent Behavior of Filled
Elastomers,” Mechanics of
Materials, vol. 32, pp. 627–644, 2000.
Bergstrom, J.S., and J. E. Bischoff, “An
Advanced Thermomechanical Constitutive Model for UHMWPE,” International Journal of Structural
Changes in
Solids, vol. 2, pp. 31–39, 2010.
Hurtado, J.A., I. Lapczyk, and S. M. Govindarajan, “Parallel
Rheological Framework to Model Non-Linear Viscoelasticity, Permanent Set, and
Mullins Effect in Elastomers,” Constitutive
Models for Rubber
VIII95, 2013.
Lapczyk, I., J. A. Hurtado, and S. M. Govindarajan, “A
Parallel Rheological Framework for Modeling Elastomers and
Polymers,” 182nd Technical Meeting
of the Rubber Division of the American Chemical
Society, pp. 1840–1859, October
2012, Cincinnati,
Ohio.