The hyperfoam model provides a general capability for elastomeric compressible foams
at finite strains. This nonlinear elasticity model is valid for large strains (especially
large volumetric changes).
The elastomeric foam material model:
is isotropic and nonlinear;
is valid for cellular solids whose porosity permits very large
volumetric changes;
Abaqus/Explicit
also provides a separate foam material model intended to capture the
strain-rate sensitive behavior of low-density elastomeric foams such as used in
crash and impact applications (see
Low-Density Foams).
Cellular solids are made up of interconnected networks of solid struts or
plates that form the edges and faces of cells. Foams are made up of polyhedral
cells that pack in three dimensions. The foam cells can be either open (e.g.,
sponge) or closed (e.g., flotation foam). Common examples of elastomeric foam
materials are cellular polymers such as cushions, padding, and packaging
materials that utilize the excellent energy absorption properties of foams: the
energy absorbed by foams is substantially greater than that absorbed by
ordinary stiff elastic materials for a certain stress level.
Another class of foam materials is crushable foams, which undergo permanent
(plastic) deformation. Crushable foams are discussed in
Crushable Foam Plasticity Models.
Foams are commonly loaded in compression.
Figure 1
shows a typical compressive stress-strain curve.
Three stages can be distinguished during compression:
At small strains (
5%) the foam deforms in a linear elastic manner due to cell wall bending.
The next stage is a plateau of deformation at almost constant stress,
caused by the elastic buckling of the columns or plates that make up the cell
edges or walls. In closed cells the enclosed gas pressure and membrane
stretching increase the level and slope of the plateau.
Finally, a region of densification occurs, where the cell walls crush
together, resulting in a rapid increase of compressive stress. Ultimate
compressive nominal strains of 0.7 to 0.9 are typical.
The tensile deformation mechanisms for small strains are similar to the
compression mechanisms, but they differ for large strains.
Figure 2
shows a typical tensile stress-strain curve.
Figure 2. Typical tensile stress-strain curve.
There are two stages during tension:
At small strains the foam deforms in a linear, elastic manner as a
result of cell wall bending, similar to that in compression.
The cell walls rotate and align, resulting in rising stiffness. The
walls are substantially aligned at a tensile strain of about
.
Further stretching results in increased axial strains in the walls.
At small strains for both compression and tension, the average
experimentally observed Poisson's ratio, ,
of foams is 1/3. At larger strains it is commonly observed that Poisson's ratio
is effectively zero during compression: the buckling of the cell walls does not
result in any significant lateral deformation. However,
is nonzero during tension, which is a result of the alignment and stretching of
the cell walls.
The manufacture of foams often results in cells with different principal
dimensions. This shape anisotropy results in different loading responses in
different directions. However, the hyperfoam model does not take this kind of
initial anisotropy into account.
Strain Energy Potential
In the elastomeric foam material model the elastic behavior of the foams is
based on the strain energy function
where N is a material parameter;
,
,
and
are temperature-dependent material parameters;
and
are the principal stretches. The elastic and thermal volume ratios,
and ,
are defined below.
The coefficients
are related to the initial shear modulus, ,
by
while the initial bulk modulus, ,
follows from
For each term in the energy function, the coefficient
determines the degree of compressibility.
is related to the Poisson's ratio, ,
by the expressions
Thus, if
is the same for all terms, we have a single effective Poisson's ratio,
.
This effective Poisson's ratio is valid for finite values of the logarithmic
principal strains ;
in uniaxial tension .
Thermal Expansion
Only isotropic thermal expansion is permitted with the hyperfoam material
model.
The elastic volume ratio, ,
relates the total volume ratio (current volume/reference volume),
J, and the thermal volume ratio, :
is given by
where
is the linear thermal expansion strain that is obtained from the temperature
and the isotropic thermal expansion coefficient (Thermal Expansion).
Determining the Hyperfoam Material Parameters
The response of the material is defined by the parameters in the strain
energy function, U; these parameters must be determined to
use the hyperfoam model. Two methods are provided for defining the material
parameters: you can specify the hyperfoam material parameters directly or
specify test data and allow
Abaqus
to calculate the material parameters.
The elastic response of a viscoelastic material (Time Domain Viscoelasticity)
can be specified by defining either the instantaneous response or the long-term
response of such a material.
Instantaneous Response
To define the instantaneous response, the experiments outlined in
Experimental Tests have
to be performed within time spans much shorter than the characteristic
relaxation time of the material.
Property module: material editor: MechanicalElasticityHyperfoam: Moduli time scale (for viscoelasticity): Instantaneous
Long-Term Response
If the long-term elastic response is used, data from experiments have to be collected after
time spans much longer than the characteristic relaxation time of the viscoelastic
material. Long-term elastic response is the default elastic material behavior.
Property module: material editor: MechanicalElasticityHyperfoam: Moduli time scale (for viscoelasticity): Long-term
Direct Specification
When the parameters N, ,
,
and
are specified directly, they can be functions of temperature.
The default value of
is zero, which corresponds to an effective Poisson's ratio of zero. The
incompressible limit corresponds to all .
However, this material model should not be used for approximately
incompressible materials: use of the hyperelastic model (Hyperelastic Behavior of Rubberlike Materials)
is recommended if the effective Poisson's ratio .
Property module: material editor: MechanicalElasticityHyperfoam: Strain energy potential order: n (); optionally, toggle on Use temperature-dependent data
Test Data Specification
The value of N and the experimental stress-strain data
can be specified for up to five simple tests: uniaxial, equibiaxial, simple
shear, planar, and volumetric.
Abaqus
contains a capability for obtaining the ,
,
and
for the hyperfoam model with up to six terms (N=6)
directly from test data. Poisson effects can be included either by means of a
constant Poisson's ratio or through specification of volumetric test data
and/or lateral strains in the other test data.
It is important to recognize that the properties of foam materials can vary
significantly from one batch to another. Therefore, all of the experiments
should be performed on specimens taken from the same batch of material.
This method does not allow the properties to be temperature dependent.
As many data points as required can be entered from each test.
Abaqus
will then compute ,
,
and, if necessary, .
The technique uses a least squares fit to the experimental data so that the
relative error in the nominal stress is minimized.
It is recommended that data from the uniaxial, biaxial, and simple shear
tests (on samples taken from the same piece of material) be included and that
the data points cover the range of nominal strains expected to arise in the
actual loading. The planar and volumetric tests are optional.
For all tests the strain data, including the lateral strain data, should be
given as nominal strain values (change in length per unit of original length).
For the uniaxial, equibiaxial, simple shear, and planar tests, stress data are
given as nominal stress values (force per unit of original cross-sectional
area). The tests allow for both compression and tension data; compressive
stresses and strains should be entered as negative values. For the volumetric
tests the stress data are given as pressure values.
Input File Usage
Use the first option to define an effective Poisson's ratio
(
for all i), or use the second option to define the
lateral strains as part of the test data input:
HYPERFOAM, N=n, POISSON=, TEST DATA INPUT ()
HYPERFOAM, N=n, TEST DATA INPUT ().
In addition, use at least one and up to five of these
additional options to give the experimental stress-strain data (see
“Experimental tests” below):
Property module: material editor: MechanicalElasticityHyperfoam: toggle on Use test data; Strain energy potential order: n (); optionally, toggle on Use constant Poisson's ratio: and enter a value for the effective Poisson's ratio ( for all i)
In addition, use at least one and up to five of the
suboptions to give the experimental stress-strain data (see “Experimental
tests” below):
SuboptionsUniaxial Test Data
SuboptionsBiaxial Test Data
SuboptionsPlanar Test Data
SuboptionsSimple Shear Test Data
SuboptionsVolumetric Test Data
Experimental Tests
For a homogeneous material, homogeneous deformation modes suffice to
characterize the material parameters.
Abaqus
accepts test data from the following deformation modes:
Uniaxial tension and compression
Equibiaxial tension and compression
Planar tension and compression (pure shear)
Simple shear
Volumetric tension and compression
The stress-strain relations are defined in terms of the nominal stress (the
force divided by the original, undeformed area) and the nominal, or
engineering, strains, .
The principal stretches, ,
are related to the principal nominal strains, ,
by
Uniaxial, Equibiaxial, and Planar Tests
The deformation gradient, expressed in the principal directions of stretch,
is
where ,
,
and
are the principal stretches: the ratios of current length to length in the
original configuration in the principal directions of a material fiber. The
deformation modes are characterized in terms of the principal stretches,
,
and the volume ratio, .
The elastomeric foams are not incompressible, so that .
The transverse stretches,
and/or ,
are independently specified in the test data either as individual values from
the measured lateral deformations or through the definition of an effective
Poisson's ratio.
The three deformation modes use a single form of the nominal stress-stretch
relation,
where
is the nominal stress and
is the stretch in the loading direction. Because of the compressible behavior,
the planar mode does not result in a state of pure shear. In fact, if the
effective Poisson's ratio is zero, planar deformation is identical to uniaxial
deformation.
Property module: material editor: MechanicalElasticityHyperfoam: toggle on Use test data, SuboptionsPlanar Test Data
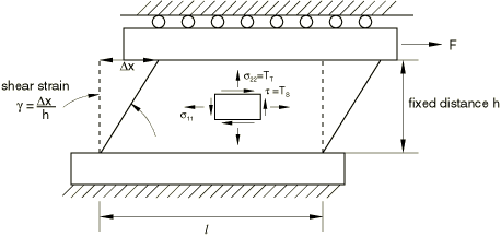
Simple Shear Tests
Simple shear is described by the deformation gradient
where
is the shear strain. For this deformation .
A schematic illustration of simple shear deformation is shown in
Figure 3.
Figure 3. Simple shear test.
The nominal shear stress, ,
is
where
are the principal stretches in the plane of shearing, related to the shear
strain
by
The stretch in the direction perpendicular to the shear plane is
The transverse (tensile) stress, ,
developed during simple shear deformation due to the Poynting effect, is
Property module: material editor: MechanicalElasticityHyperfoam: toggle on Use test data, SuboptionsSimple Shear Test Data
Volumetric Tests
The deformation gradient, , is the same for
volumetric tests as for uniaxial tests. The volumetric deformation mode
consists of all principal stretches being equal;
The pressure-volumetric ratio relation is
A volumetric compression test is illustrated in
Figure 4.
The pressure exerted on the foam specimen is the hydrostatic pressure of the
fluid, and the decrease in the specimen volume is equal to the additional fluid
entering the pressure chamber. The specimen is sealed against fluid
penetration.
Property module: material editor: MechanicalElasticityHyperfoam: toggle on Use test data, SuboptionsVolumetric Test Data
Difference between Compression and Tension Deformation
For small strains (
5%) foams behave similarly for both compression and tension. However, at large
strains the deformation mechanisms differ for compression (buckling and
crushing) and tension (alignment and stretching). Therefore, accurate hyperfoam
modeling requires that the experimental data used to define the material
parameters correspond to the dominant deformation modes of the problem being
analyzed. If compression dominates, the pertinent tests are:
Uniaxial compression
Simple shear
Planar compression (if Poisson's ratio )
Volumetric compression (if Poisson's ratio )
If tension dominates, the pertinent tests are:
Uniaxial tension
Simple shear
Biaxial tension (if Poisson's ratio )
Planar tension (if Poisson's ratio )
Lateral strain data can also be used to define the compressibility of the
foam. Measurement of the lateral strains may make other tests redundant; for
example, providing lateral strains for a uniaxial test eliminates the need for
a volumetric test. However, if volumetric test data are provided in addition to
the lateral strain data for other tests, both the volumetric test data and the
lateral strain data will be used in determining the compressibility of the
foam. The hyperfoam model may not accurately fit Poisson's ratio if it varies
significantly between compression and tension.
Model Prediction of Material Behavior Versus Experimental Data
Once the elastomeric foam constants are determined, the behavior of the
hyperfoam model in
Abaqus
is established. However, the quality of this behavior must be assessed: the
prediction of material behavior under different deformation modes must be
compared against the experimental data. You must judge whether the elastomeric
foam constants determined by
Abaqus
are acceptable, based on the correlation between the
Abaqus
predictions and the experimental data. Single-element test cases can be used to
calculate the nominal stress–nominal strain response of the material model.
As with incompressible hyperelasticity,
Abaqus
checks the Drucker stability of the material for the deformation modes
described above. The Drucker stability condition for a compressible material
requires that the change in the Kirchhoff stress, ,
following from an infinitesimal change in the logarithmic strain,
,
satisfies the inequality
where the Kirchhoff stress .
Using ,
the inequality becomes
This restriction requires that the tangential material stiffness
be positive definite.
For an isotropic elastic formulation the inequality can be represented in
terms of the principal stresses and strains
Thus, the relation between changes in the stress and changes in the strain
can be obtained in the form of the matrix equation
where
Since must be positive
definite, it is necessary that
You should be careful about defining the parameters
,
,
and :
especially when ,
the behavior at higher strains is strongly sensitive to the values of these
parameters, and unstable material behavior may result if these values are not
defined correctly. When some of the coefficients are strongly negative,
instability at higher strain levels is likely to occur.
Abaqus
performs a check on the stability of the material for nine different forms of
loading—uniaxial tension and compression, equibiaxial tension and compression,
simple shear, planar tension and compression, and volumetric tension and
compression—for
(nominal strain range of ),
at intervals .
If an instability is found,
Abaqus
issues a warning message and prints the lowest absolute value of
for which the instability is observed. Ideally, no instability occurs. If
instabilities are observed at strain levels that are likely to occur in the
analysis, it is strongly recommended that you carefully examine and revise the
material input data.
Improving the Accuracy and Stability of the Test Data Fit
The hyperfoam model can be used with solid (continuum) elements,
finite-strain shells (except S4), and membranes. However, it cannot be used with one-dimensional
solid elements (trusses and beams), small-strain shells (STRI3, STRI65, S4R5, S8R, S8R5, S9R5), or the Eulerian elements (EC3D8R and EC3D8RT).
For continuum elements elastomeric foam hyperelasticity can be used with
pure displacement formulation elements or, in
Abaqus/Standard,
with the “hybrid” (mixed formulation) elements. Since elastomeric foams are
assumed to be very compressible, the use of hybrid elements will generally not
yield any advantage over the use of purely displacement-based elements.