Problem description
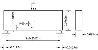
A beam with an offset edge crack is studied. The specimen, shown in Figure 1, has a length of 0.2286 m, a thickness of 0.0254 m, and a width of 0.0762 m. The distance between supports is 0.2032 m. To induce a mixed-mode fracture, an initial crack with a length of 0.019 m is made at an offset distance of 0.06604 m measured from the midspan in the specimen. A velocity boundary condition is imposed at the midspan of the specimen to simulate a dynamic impact:
where = 0.06 m/s and = 1.96 × 10–4 s.
The material data for the bulk material properties in the enriched elements are = 31.37 GPa, = 2400 kg/m3, and = 0.2.
The response of cohesive behavior in the enriched elements in the model is specified. The maximum principal stress failure criterion is selected for damage initiation, and an energy-based damage evolution law based on a power law fracture criterion is selected for damage propagation. The relevant material data are as follows: = 10.45 MPa, = 19.58 N/m, = 19.58 N/m, = 19.58 N/m, = 1.0, = 1.0, and = 1.0.

